Delivered with Royal Mail 🚚
1-3 days (Tracked 24hr) or 2-4 days (Tracked 48hr)
Payment & Security
Your payment information is processed securely. We do not store credit card details nor have access to your credit card information.
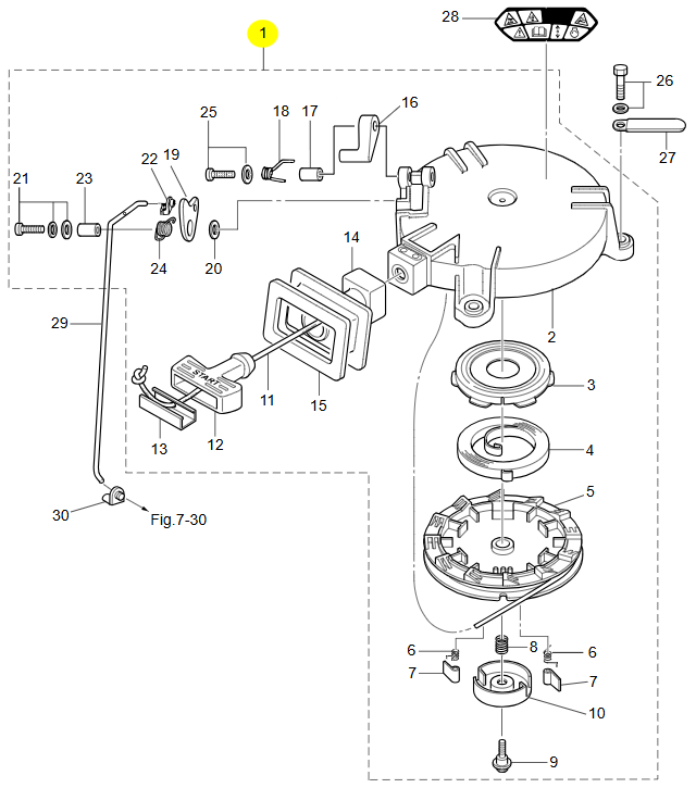
Genuine Tohatsu recoil starter kit that fits Mercury, Mariner and Tohatsu engines 4/5/6hp.
This genuine Tohatsu recoil starter kit is designed to fit Mercury, Mariner, and Tohatsu 4, 5, and 6 horsepower four-stroke engines. It provides a reliable replacement for worn or damaged starters, ensuring consistent engine starting performance.
This kit maintains compatibility and durability without unnecessary enhancements. Ideal for maintaining the functionality of your outboard motor with a straightforward, dependable solution.
Image shows a Mercury recoil starter with a caution label, which is not included in this kit.
This listing is for the Tohatsu version, which is identical to a Mercury version and is cheaper, with more stock held in the UK. (Shared engine design)
If there's anything you'd like to know regarding this product, please feel free to contact us.



